
מיסב כדור דחף 51106
מיסב כדור דחף 51106
הממד: 30 מ"מ * 47 מ"מ * 11 מ"מ
המשקל:0.063 ק"ג
ברוכים הבאים לקנות
למיסב כדור דחף יחיד 51106 יש יתרונות רבים בתכנון ובייצור, כולל חוזק גבוה, צריכת אנרגיה נמוכה ומקדם חיכוך נמוך. זה הופך את מיסב כדור דחף יחיד 51106 לאביזר המיסב המועדף עבור מגוון מכונות וציוד תעשייתי.
נושא נתונים

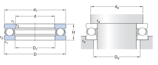
| סוג מיסבים | מיסב כדורי דחף |
| מיסב מס. | 51106 |
| מֵמַד | 30 מ"מ*47 מ"מ*11 מ"מ |
| d | 30 מ"מ |
| D | 47 מ"מ |
| B | 11 מ"מ |
| d1 |
≈47 מ"מ |
|---|---|
| D1 |
≈32 מ"מ |
| r1,2 |
מינימום0.6 מ"מ |
| da |
מינימום 40 מ"מ |
| Da |
מקסימום 37 מ"מ |
| ra |
מקסימום 0.6 מ"מ |
| מִשׁקָל | 0.063 ק"ג |
| C (דירוג עומס דינמי בסיסי) | 19 קילוואן |
| C0(דירוג עומס סטטי בסיסי) | 43 קילוואן |
| Pu (מגבלת עומס עייפות) | 1.6 קילוואט |
היתרונות של מיסב כדור דחף 51106

כושר נשיאה מעולה.
51106 מאמץ עיצוב מיוחד ויש לו יכולת נשיאה חזקה. הוא מסוגל לעמוד בכמויות גדולות של לחץ וכוח משיכה ולשמור על סיבוב יציב, מה שמאפשר לו לפעול ביעילות בתנאים קיצוניים.
עמידות ואמינות.
ה-51106 משתמש בחומרים בעלי חוזק גבוה ובתהליכי ייצור מדויקים כדי לעמוד בכמויות גדולות של מתח ורעידות, מה שמבטיח לו חיי שירות ארוכים ויציבות גבוהה מאוד. אפילו בסביבות טמפרטורה גבוהה ולחות גבוהה, עדיין ניתן להשתמש בו לאורך זמן.
מקדם חיכוך נמוך.
למקדם החיכוך יש השפעה רבה על חיי השירות, צריכת האנרגיה ויעילות המיסב. 51106 ייעל את זה במהלך התכנון ומשתמש בטכנולוגיית עיבוד דיוק גבוה כדי להפחית את מקדם החיכוך של המסבים. זה יכול להפחית ביעילות את עלויות התפעול של ציוד מכני ולהאריך את חיי השירות של ציוד מכני.
יישומים של מיסב כדור דחף 51106
מיסב כדור דחף יחיד 51106 הוא רכיב מכני איכותי ויעיל, שניתן להשתמש בו באופן נרחב בציוד ומכונות תעשייתיות שונות. סוג זה של מיסב יכול לעמוד בעומס צירי חד-כיווני, ולכן הוא משמש לעתים קרובות לתמיכה בציוד כלשהו הדורש סיבוב חד-כיווני, כגון כלים חשמליים, מאווררים, משאבות מים, כלי מכונות וכו'.
סוג זה של מיסב מורכב מכדורי פלדה, כלוב פלדה, טבעת חיצונית וטבעת פנימית. יש לו מבנה קומפקטי ועמידות חזקה, והוא יכול לעמוד בסיבוב במהירות גבוהה ובסביבות בטמפרטורה גבוהה ובלחץ גבוה. סוג זה של מיסב לא רק בעל ביצועי סיכה עצמיים טובים, אלא גם פועל בצורה חלקה, בעל רעש נמוך ומקדם חיכוך קטן. זה גם יכול להפחית מאוד את מספר התחזוקה והתיקונים של המכונות, ובכך להפחית את עלויות התחזוקה ועלויות הייצור.
בנוסף לשימוש בציוד ומכונות תעשייתיות, ניתן להשתמש ב-51106 גם בחיי היומיום. לדוגמה, מכשירי חשמל ביתיים כגון מזגנים, מכונות כביסה, מקררים וכו' כולם דורשים מיסבים. בשלב זה, מיסב כדור דחף יחיד 51106 יכול לספק תמיכה ותפעול יציבים, ובכך להאריך את חיי השירות של המכונה.
המחסן הגדול שלנו לכל סוגי המיסבים

תגיות פופולריות: 51106 מיסב דחף, ספקי מיסבי דחף 51106
